HOME >MOTION GUIDANCE > MINIATURE > SLIDE TABLES
MINIATURE TRACK RANGE - SLIDE TABLES:
August 2023 - This range has been replaced by TM and TMW miniature guides.

This miniature linear rail system provides the highest precision, low friction movement and high load capacity with a 'table' carriage which is larger than our standard and wide range. Each size is available in 3 stroke lengths - see table below.
Both the carriage (table) and the track are made from stainless steel and so can operate in temperatures up to 150ºC. Models that can operate in higher temperatures (200°C to 300°C) are also available.
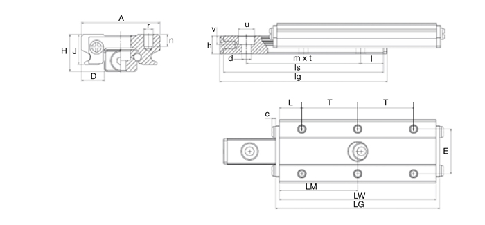
An explanation of our product's part number is here:


Rail Dimensions  | 
      |||||||||||
| Part Number | H | A | t | W | h | u x d x v | Stroke | lg | ls | l | m | 
| ST07-027 | 8 | 17 | 15 | 7 | 4.7 | 4.2x2.4x2.3  | 
        27 | 30 | 28 | 6.5 | 1 | 
| ST07-041 | 8 | 17 | 15 | 7 | 4.7 | 4.2x2.4x2.3  | 
        41 | 45 | 43 | 6.5 | 2 | 
| ST07-055 | 8 | 17 | 15 | 7 | 4.7 | 4.2x2.4x2.3  | 
        55 | 60 | 58 | 6.5 | 3 | 
| ST09-038 | 10 | 20 | 20 | 9 | 5.5 | 6x3.5x3.5 | 38 | 40 | 38 | 9 | 1 | 
| ST09-058 | 10 | 20 | 20 | 9 | 5.5 | 6x3.5x3.5  | 
        58 | 60 | 58 | 9 | 2 | 
| ST09-078 | 10 | 20 | 20 | 9 | 5.5 | 6x3.5x3.5  | 
        78 | 80 | 78 | 9 | 3 | 
| ST12-044 | 13 | 27 | 25 | 12 | 7.5 | 6x3.5x4.5  | 
        44 | 50 | 47.4 | 11.2 | 1 | 
| ST12-069 | 13 | 27 | 25 | 12 | 7.5 | 6x3.5x4.5  | 
        69 | 75 | 72.4 | 11.2 | 2 | 
| ST12-094 | 13 | 27 | 25 | 12 | 7.5 | 6x3.5x4.5  | 
        94 | 100 | 97.4 | 11.2 | 3 | 
All dimensions are in millimetres. Loads are in Newtons & moments are in Nm.
Block Dimensions  | 
        Loads  | 
        Moments  | 
      ||||||||||||||
| Part Number | L | E | D | J | r x n | c | LG | LW | T | No of Holes | LM | C | C0 | Mr0 | Mp0 | My0 | 
| ST07-027 | 6.5 | 12 | 5 | 6.5 | M2x2.5 | 1 | 30 | 28 | 15 | 2 | 14 | 910 | 1580 | 5.9 | 3.4 | 3.4 | 
| ST07-041 | 6.5 | 12 | 5 | 6.5 | M2x2.5 | 1 | 45 | 43 | 15 | 3 | 21.5 | 1220 | 2500 | 9.1 | 8 | 8 | 
| ST07-055 | 6.5 | 12 | 5 | 6.5 | M2x2.5 | 1 | 60 | 58 | 15 | 4 | 29 | 1490 | 3330 | 12.4 | 14.6 | 14.6 | 
| ST09-038 | 9 | 15 | 5.5 | 7.8 | M3x3.0 | 1.3 | 40 | 38 | 20 | 2 | 19 | 1590 | 2773 | 13.1 | 6.8 | 6.8 | 
| ST09-058 | 9 | 15 | 5.5 | 7.8 | M3x3.0 | 1.3 | 60 | 58 | 20 | 3 | 29 | 2080 | 4170 | 19.7 | 16 | 16 | 
| ST09-078 | 9 | 15 | 5.5 | 7.8 | M3x3.0 | 1.3 | 80 | 78 | 20 | 4 | 39 | 2520 | 5547 | 26.2 | 29.2 | 29.2 | 
| ST12-044 | 11.2 | 20 | 7.5 | 10 | M3x3.5 | 1.3 | 50 | 47.4 | 25 | 2 | 23.7 | 2550 | 4340 | 27 | 16 | 16 | 
| ST12-069 | 11.2 | 20 | 7.5 | 10 | M3x3.5 | 1.3 | 75 | 72.4 | 25 | 3 | 36.2 | 3350 | 6510 | 40.1 | 35.6 | 35.6 | 
| ST12-094 | 11.2 | 20 | 7.5 | 10 | M3x3.5 | 1.3 | 100 | 97.4 | 25 | 4 | 48.7 | 4050 | 8670 | 54 | 62.8 | 62.8 | 

	  

