HOME > PLAIN SLIDING LINEAR BEARINGS > COMPACT EUROPEAN METRIC
DRY SLIDING (PLAIN) BUSHES - EUROPEAN METRIC (THIN WALLED):

DIMENSIONALLY EQUAL TO KH.., 0658-... AND LBBR SERIES COMPACT LINEAR BEARINGS.
Available in ceramic and self lubricating (SL) types.
Part No |
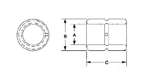
Working Bore (A) |
Working Bore tolerance |
Outside Dia (B) |
Length (C) |
Max shaft Dia |
Housing bore Dia |
L6 TWM |
6 |
+0.038 to +0.065 |
12 |
22 |
6 |
12 |
L8 TWM |
8 |
" |
15 |
24 |
8 |
15 |
L10 TWM |
10 |
" |
17 |
26 |
10 |
17 |
L12 TWM |
12 |
" |
19 |
28 |
12 |
19 |
L14 TWM |
14 |
" |
21 |
28 |
14 |
21 |
L16 TWM |
16 |
" |
24 |
30 |
16 |
24 |
L20 TWM |
20 |
+0.047 to +0.074 |
28 |
30 |
20 |
28 |
L25 TWM |
25 |
" |
35 |
40 |
25 |
35 |
L30 TWM |
30 |
" |
40 |
50 |
30 |
40 |
L40 TWM |
40 |
+0.049 to +0.089 |
52 |
60 |
40 |
52 |
L50 TWM |
50 |
" |
62 |
70 |
50 |
62 |
ORDERING INFORMATION
For Self Lubriated bearing, add the suffix SL to part number. Example L20TWMSL


