ALUMINIUM MOTION GUIDANCE
- FLANGED FNS CARRIAGE
Made from aluminium alloy with stainless steel running tracks. The balls are made from stainless steel whilst the remainder of the carriage is made from polyamide.
There are two types of rail giving the option to bolt it from above (A) or below (B). The carriages can also be specified with preload (V), or high precision with preload (PV).
Also available without flanges - see GNS carriage.
Moments for this product are measured in Nm. Fdyn is the dynamic load in Newtons & Fmax is the static load.
Catalogue
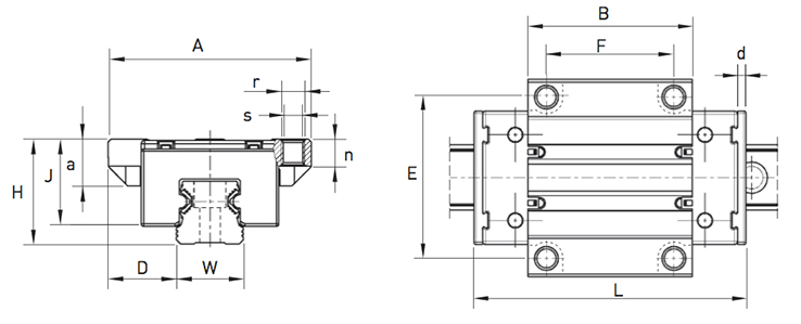
Carriage Dimensions

All dimensions are in mm and loads are in N.
Load Capacity and Moments

| Part Number | Cdyn. | Fmax | MT dyn. | MT stat. | ML dyn. | ML stat. |
|---|---|---|---|---|---|---|
| FNS-1500 | 5000 | 2000 | 36 | 14 | 29 | 12 |
| FNS-2000 | 11000 | 4400 | 101 | 40 | 89 | 35 |
| FNS-2500 | 16000 | 6400 | 165 | 66 | 147 | 59 |
Related Products and Links








