MOTION GUIDANCE SYSTEMS 
- TWHW WIDE Linear Guides
                    
                    The TWHW wide guide rails contain 4 rows of balls. The carriages offer a wider rail and the lowest overall height.
Carriage Types: 
                        
                        The wide linear guides are available for rail sizes 17 to 35 in the following two designs:
                        1) A wide block carriage (-R) for bolting from above.
                      
                        2) A wide flanged version (-F) for bolting from above or below. 
                          
                    
 
                    
                     The wide guide rail (TWHW) is available for bolting from above only. The carriages are only available with the SS sealing arrangement (end seals and inner seal) with the option of metal scrapers and lubrication blocks.
                    
                    Features: 
                        
 - Low overall height.
                        
 - The wider rail is better suited to single rail applications.
                        
 - Sealed all around providing additional protection from contamination.
                        
 - Same load capacity in all directions.
                        
                        - One design of rail for both the TWHW..R and TWHW..F carriages. 
TWHW WIDE LINEAR RAILS
The TWHW rail is the wide type. It features countersunk holes for bolting from above. This rail can be used for all designs of TWHW carriages.
                    
                    
                
| Part Number | Pitch P | Weight (kg/m) | 
|---|---|---|
| TWHW17 | 40 | 1.90 | 
| TWHW21 | 50 | 2.90 | 
| TWHW27 | 60 | 4.50 | 
| TWHW35 | 80 | 9.60 | 
                     The maximum length of rail is 2000mm for sizes 17 and 21, and 4000mm for sizes 27 and 35. The rails will be cut symmetrically (G=G) unless requested otherwise.               
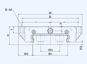
TWHW Linear Carriages - BLOCK
Block Carriages TWHW..R
                    The TWHW..R compact linear carriages are designed for bolting from above. Use with TWHW linear rails. These wide carriages offer the lowest overall height. Standard carriages (TWH) and compact carriages (TWS) are also available for the standard rails.
				    
                        
| Part Number | H | W | L | B | C | Mxl | L1 | T | N | E | Grease | H3 | 
|---|---|---|---|---|---|---|---|---|---|---|---|---|
| TWHW17R | 17 | 50 | 51.0 | 29 | 15 | M4x5 | 37.4 | 5.2 | 4.0 | 3.5 | A-ø3 | 2.5 | 
| TWHW21R | 21 | 54 | 59.0 | 31 | 19 | M5x6 | 45.4 | 8.0 | 5.0 | 3.5 | A-ø3 | 3.3 | 
| TWHW27R | 27 | 62 | 72.5 | 46 | 32 | M6x6 | 54.7 | 10.0 | 6.0 | 10.3 | B-M6F | 3.5 | 
| TWHW35R | 35 | 100 | 105.3 | 76 | 50 | M8x8 | 82.1 | 14.0 | 7.6 | 10.3 | B-M6F | 4.0 | 
Loads and Moments for Block Carriages TWHW..R
                | Part Number | W1 | W2 | W3 | H1 | d1xd2 xh | C  (kN)  | 
                                        C0 (kN) | Mp  = My  | 
                                        Mp2  = My2  | 
                                        Mr | Block (kg) | 
|---|---|---|---|---|---|---|---|---|---|---|---|
| TWHW17R | 33 | 8.5 | 18 | 8.6 | 4.5x7.5x5.3 | 7.3 | 12.2 | 81 | 381 | 205 | 0.13 | 
| TWHW21R | 37 | 8.5 | 22 | 11.0 | 4.5x7.5x5.3 | 8.4 | 14.8 | 119 | 547 | 278 | 0.19 | 
| TWHW27R | 42 | 10.0 | 24 | 15.0 | 4.5x7.5x5.3 | 15.3 | 24.8 | 239 | 1114 | 527 | 0.36 | 
| TWHW35R | 69 | 15.5 | 40 | 19.0 | 7x11x9 | 33.9 | 53.2 | 773 | 3528 | 1851 | 1.20 | 
Moments are in Nm and dimensions are in mm. Mp2 and My2 are the moment capacities when two carriages are used in close contact.
TWHW Linear Carriages - FLANGED
Flanged Carriages TWHW..F
                    The TWHW..F compact flanged linear carriages are designed for bolting from above or below. Use with TWHW linear rails. These wide carriages offer the lowest overall height. Standard carriages (TWH) and compact carriages (TWS) are also available for the standard rails.
				    
                    
| Part Number | H | W | L | B | C | M | L1 | T | N | E | Grease | H3 | 
|---|---|---|---|---|---|---|---|---|---|---|---|---|
| TWHW17F | 17 | 60 | 51.0 | 53 | 26 | M4 | 37.4 | 6 | 4 | 3.5 | A-ø3 | 2.5 | 
| TWHW21F | 21 | 68 | 59.0 | 60 | 29 | M5 | 45.4 | 8 | 5 | 3.5 | A-ø3 | 3.3 | 
| TWHW27F | 27 | 80 | 72.5 | 70 | 40 | M6 | 54.7 | 10 | 6 | 10.3 | B-M6F | 3.5 | 
| TWHW35F | 35 | 120 | 105.3 | 107 | 60 | M8 | 82.1 | 14 | 7.6 | 10.3 | B-M6F | 4.0 | 
Loads and Moments for Flanged Carriages TWHW..F
 
                | Part Number | W1 | W2 | W3 | H1 | d1xd2 xh | C  (kN)  | 
                                        C0 (kN) | Mp  = My  | 
                                        Mp2  = My2  | 
                                        Mr | Block (kg) | 
|---|---|---|---|---|---|---|---|---|---|---|---|
| TWHW17F | 33 | 13.5 | 18 | 8.6 | 4.5x7.5x5.3 | 7.3 | 12.2 | 81 | 381 | 205 | 0.15 | 
| TWHW21F | 37 | 15.5 | 22 | 11.0 | 4.5x7.5x5.3 | 8.4 | 14.8 | 119 | 547 | 278 | 0.24 | 
| TWHW27F | 42 | 19.0 | 24 | 15.0 | 4.5x7.5x5.3 | 15.3 | 24.8 | 239 | 1114 | 527 | 0.47 | 
| TWHW35F | 69 | 25.5 | 40 | 19.0 | 7x11x9 | 33.9 | 53.2 | 773 | 3528 | 1851 | 1.40 | 
Moments are in Nm and dimensions are in mm. Mp2 and My2 are the moment capacities when two carriages are used in close contact.
Related Products and Links








